
Чертежи являются неотъемлемой частью инженерной и архитектурной деятельности. Они предоставляют информацию о форме, размерах и других характеристиках объектов, которые будут изготовлены или построены. Важным аспектом создания качественных чертежей является правильное нанесение размеров. В данной статье мы рассмотрим основные принципы и техники нанесения размеров на чертежи, а также предельные отклонения размеров и как выполнять эту задачу с помощью программы КОМПАС.
Размеры на чертежах
Расскажем о правилах по нанесению размеров на чертежах различных изделий и деталей.
Размерные и выносные линии
Прежде чем приступить к нанесению размеров, необходимо понимать различные элементы, используемые при этом.
Размерные линии соединяются с объектами, к которым относятся размеры, и указывают, какая именно часть объекта измеряется.
рис. 1
Требуется указать размер угла? Проведите линию в виде дуги с центром в вершине угла (см. изображение ниже).
рис. 2
Выносные линии соединяют размерные линии с надписями или числами, обозначающими фактический размер.
рис. 3
Делайте так, чтобы стрелки размерных линий обязательно упирались острием в необходимый контур (см. рисунок 3) Величина стрелок должна соответствовать толщине и размеру контура. Если для стрелки не хватает места, обратитесь к различным вариантам их размещения на чертеже:
рис. 4
Выносные линии должны выходить за концы стрелок размерной линии приблизительно на 1—5 мм.
Нанесение размеров отрезков прямых
При измерении отрезков прямых, размерные линии проводятся параллельно отрезку и заканчиваются стрелками, указывающими направление измерения.
рис. 5
Размер обычно пишется между размерными линиями и представляет собой числовое значение длины отрезка.
рис. 6
Нанесение знаков и надписей
Знаки и надписи используются для обозначения особых характеристик размеров, таких как диаметр окружности, радиус или угловая мера. Например, символ “∅” перед числом указывает на диаметр, а “R” перед числом – на радиус.

Нанесение размеров дуг окружностей
Для измерения дуг окружностей проводят радиусные размерные линии от центра окружности до ее дуги.
рис. 7
Для дуги также можно указать дуговой размер, обозначающий угол между начальной и конечной точками дуги.
рис. 8
рис. 9
Если радиусов несколько, их следует располагать на разных размерных линиях.
рис. 10
Нанесение размеров окружностей
При измерении диаметра окружности размерные линии проводятся через центр окружности, и размер указывается между ними. Если необходимо измерить радиус, используется одна размерная линия, а диаметр обозначается символом “∅”.
рис. 11
Перед размерным числом диаметра окружности обязательно ставьте знак ø. Высота знака должна совпадать с высотой числа, а наклон прямолинейного элемента значка – составлять ровно 60°.
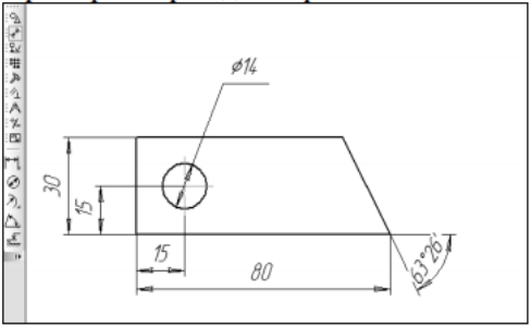
Нанесение размеров углов
Для измерения углов размерные линии проводятся между линиями или ребрами, между которыми находится угол. Угол указывается числовым значением между размерными линиями, а также может быть обозначен специальными символами, такими как “°” для градусов.
рис. 12
Все угловые размеры представлены в градусах или минутах и секундах с указанием единиц измерения.
Нанесение размеров на изображениях некоторых конструктивных элементов формы изделий
рис. 13
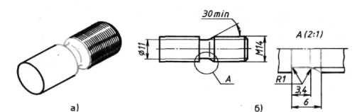
Некоторые объекты имеют особые конструктивные элементы, такие как заходы, отверстия и выступы.
рис. 14

Для нанесения размеров на такие элементы используют специфические правила и символику, которую необходимо знать и понимать.
рис. 15
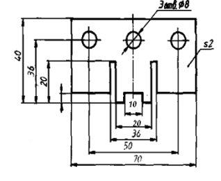
Как наносить выемки прямоугольной формы или углублений вы можете увидеть на рисунке под номером 16.
рис. 16
Нанесение размеров на изображениях изделий
При создании чертежей изделий необходимо учитывать масштабирование и соотношение размеров. Это позволяет создать точное и понятное представление о форме и размерах изделия.
рис. 17
Пересечение размерных и выносных линий не допускается.
ГОСТ дает следующие требования по нанесению и обозначению справочных размеров:

Это отношение размеров изображения к реальным размерам изображаемого предмета. На чертеже все изображения должны быть выполнены в соответствии с масштабом.
ГОСТ 2.302—68 – какие правила он выдвигает:
- 1:1 – это масштаб натуральной величины; размеры изображения соответствуют реальным размерам предмета.
- 1:2; 2:2,5; 1:4; 1:5; 1:10 и т. д. – это масштабы уменьшения; размеры изображения меньше реальных размеров детали.
- 2:1; 2,5:1; 4:1; 5:1; 10:1 и т.д. – это масштабы увеличения; размеры изображения больше реальных размеров изделия.
Упрощения
При нанесении размеров на чертежи допускаются различные упрощения, которые могут быть полезными в разных ситуациях.
- В некоторых случаях, особенно при создании крупных или сложных чертежей, упрощение формы и деталей объектов может улучшить читаемость чертежа. Например, сложные геометрические формы могут быть приближены к более простым, чтобы сделать чертеж менее запутанным и более легким для понимания.

рис. 18 - Для упрощения чертежей можно использовать схемы и символы. Это позволяет заменить длинные строки размеров или сложные графические изображения объектов на более лаконичные и информативные символы. Например, для обозначения резьбы можно использовать специальные символы и стрелки, что сокращает количество линейных размеров.

рис. 19 - При работе с большими конструкциями или сборками можно упростить чертежи, группируя элементы и обозначая их как целостные подсборки. Это позволяет сфокусироваться на общей структуре, а не на деталях, что особенно полезно при создании схем монтажа и инструкций по сборке.
- Для повышения читаемости и уменьшения числа десятичных знаков размеры могут быть округлены. Например, если точность до сотых миллиметра не критически важна, размер можно представить с точностью до миллиметра. Это делает чертеж более компактным и удобным для восприятия.
- При создании общих или концептуальных чертежей упрощение может заключаться в передаче основных параметров и размеров, игнорируя более детальные характеристики. Это позволяет сосредоточиться на главных аспектах проекта и избежать излишней детализации.

рис. 20
Предельные отклонения размеров
Предельные отклонения размеров являются важной частью чертежной документации. Они определяют допустимые расхождения от идеальных размеров и играют критическую роль в контроле качества производства.
Нанесение размеров
Нанесение размеров на чертежах – первый шаг в создании информации, необходимой для изготовления изделия. При этом следует помнить о том, что размеры на чертеже не всегда могут точно совпадать с размерами фактического изделия из-за различных технических факторов, таких как износ инструментов, толщина покрытий и допуски в производстве.
Не завышайте цифры, чтобы не переключать внимание с чертежа.
Нельзя использовать центровые линии в качестве размерных
Однако, важно понимать, что не все размеры требуют одинаковой точности. В зависимости от конкретных требований к изделию и его назначению, предельные отклонения могут быть установлены разными.

рис. 21
Например, для механических частей, которые подвергаются высоким нагрузкам, требования к точности могут быть более жесткими, чем для элементов, где важна только общая форма.

рис. 22
Также следует помнить о стандартах и нормативах, которые регулируют нанесение предельных отклонений размеров. В России, например, ГОСТ 8.417-2002 “Государственная система обеспечения единства измерений. Основные положения” и ГОСТ 25346-82 “ЕСКД. Обозначение допусков” устанавливают правила для нанесения предельных отклонений на чертежи.

рис. 23
Нанесение размеров и предельных отклонений на чертежи требует внимательности и точности. Это необходимо для того, чтобы обеспечить качественное производство, соответствующее требованиям проекта и стандартам.
Способы расположения размеров
-
Размещение размеров элементов предмета/поверхностей от общей базы.

рис. 24 -
Размеры от нескольких баз.

рис. 25 -
Между смежными элементами.

рис. 26
Размерные базы – это торцевые поверхности. С них начинается обработка изделия; взаимно перпендикулярные линии (включая оси симметрии).
Размер, устанавливаемый в зависимости от функционального назначения детали. Служит началом отсчета отклонений.
Размер, который был получен после обработки изделия.
Как выполнять нанесение размеров в КОМПАС
Современные инженеры и архитекторы широко используют программное обеспечение для создания и редактирования чертежей. Одной из популярных программ для этой цели является “КОМПАС”.

рис. 27
Первым шагом является запуск программы КОМПАС на вашем компьютере. Убедитесь, что у вас установлена актуальная версия программы, чтобы воспользоваться всеми современными функциями.
После запуска программы вы можете создать новый чертеж или открыть уже существующий. Выберите подходящий формат и размер листа в соответствии с вашими требованиями.
КОМПАС предоставляет разнообразные инструменты для нанесения размеров. Обычно они находятся в разделе “Размеры” или “Параметры”. Выберите нужный инструмент, например, “Линейный размер” или “Диаметр”, в зависимости от того, какой размер вы хотите указать.
Далее, выберите элементы на чертеже, к которым будут привязаны размеры. Это могут быть линии, окружности, углы и другие геометрические элементы.
После выбора элементов укажите местоположение размера на чертеже. Программа КОМПАС позволяет точно определить, где должен находиться размер, и автоматически привязывает его к выбранным элементам.
После нанесения размерных линий на чертеж вам нужно ввести числовое значение размера. Обычно это делается с помощью всплывающего окна, в котором вы можете ввести нужное значение. КОМПАС также позволяет указать предельные отклонения, если это необходимо.
Если вам нужно отредактировать или переместить размеры, КОМПАС предоставляет соответствующие инструменты. Вы можете изменить числовые значения, переместить размерные линии или удалить размеры при необходимости.
После нанесения всех необходимых размеров и завершения работы с чертежем, не забудьте сохранить его в соответствующем формате. После этого вы можете распечатать чертеж для использования на производстве или в инженерных работах.
Добавить предельное отклонение размера в КОМПАС
Одной из важных задач при создании чертежей в программе КОМПАС является нанесение предельных отклонений размеров. Это позволяет установить допустимые расхождения от идеальных размеров и обеспечить контроль качества производства.
Прежде всего, выберите элемент на чертеже, к которому будет применяться предельное отклонение размера. Это может быть размер, указанный на линии, диаметр окружности, угол и так далее.
Для добавления предельного отклонения размера в КОМПАС, вам нужно открыть свойства выбранного элемента. Обычно это делается двойным щелчком по размеру или использованием контекстного меню.
В окне свойств элемента найдите раздел, связанный с предельными отклонениями размеров. Здесь вы сможете ввести требуемые значения предельных отклонений. Обычно предельные отклонения задаются как диапазон допустимых значений, например, ±0,2 мм или ±1 градус.
КОМПАС также предоставляет возможность выбора типа предельных отклонений. Например, вы можете указать абсолютные предельные отклонения (абсолютные значения) или процентные предельные отклонения (относительные значения от размера).
После ввода предельных отклонений подтвердите изменения, и они будут автоматически применены к выбранному элементу на чертеже. Теперь на чертеже будет отображаться как сам размер, так и его предельные отклонения.
КОМПАС также обычно предоставляет опции для визуального обозначения предельных отклонений на чертеже. Например, вы можете выбрать, чтобы предельные отклонения отображались с помощью специальных символов, цветов или штриховки, что делает их более наглядными и легко различимыми.
Повторите процесс для других элементов, к которым требуется добавить предельные отклонения размеров. Это позволит создать полный и информативный чертеж с учетом допустимых отклонений.
Боитесь не успеть выполнить работу? Закажите чертеж у экспертов Студворк! Наши авторы максимально быстро выполнят задачу по всем вашим требованиям.


Комментарии