
Для составления чертежей существуют специальные стандарты. Без соблюдения этих правил работу могут не принять или оценить на низкий балл. Чтобы такого не произошло, в нашей статье мы расскажем, какие установки есть в ГОСТе, и как их применять на практике.
Что такое шероховатость на чертеже?
На любой поверхности есть неровности. Они возникают при обработке и деформации верхнего слоя. Характеристика всех неровностей поверхности предмета на конструкторских документах называется шероховатостью.
Зачем нужно обозначать шероховатость на чертежах
Шероховатость обозначают для указания требований к поверхностям деталей. Она влияет на качество и точность всей работы. Обозначение шероховатости позволяет гарантировать соответствие детали требуемым параметрам и эксплуатационным свойствам.
Как образуется шероховатость?
Текстура, другими словами, шероховатость представляет собой отклонение в направление вектора реальной поверхности от идеальной формы. Существует несколько причин образования неровностей:
- Положение режущих кромок инструмента относительно обрабатываемого материала;
- Пластические деформации обрабатываемой поверхности;
- Скорость и вибрации в механической станочной системе.
Если подвергнуть деталь термической обработке, то шероховатость уменьшится.
Классификация поверхностей
Для точной характеристики поверхностного слоя материал классифицируют по назначению:
- Рабочие поверхности, которые имеют сопряжение с изменением местоположения по отношению друг к другу, например, механизмы двигателей и насосов. Для этих деталей необходима высокая точность обработки, а показатели должны соответствовать на рисунке 1.1;
- Установочные поверхности, которые находятся в соприкосновении, но по отношению друг к другу неподвижны. Они подлежат обработке и должны соответствовать показателям (рис. 1. 1);
- Ограничительные и соединительные поверхности, которые служат ограничением для работающих механизмов, например, корпусы приборов и станков. Они могут подвергаться обработке в зависимости от требований, а показатели должны соответствовать значениям (рис. 1. 1);
- Поверхности, которые требуют специальной обработки, например, детали внешних корпусов механизмов и агрегатов. Параметры шероховатости для таких поверхностей должны соответствовать показателям на рис. 1. 1.

рис. 1.1
Контроль шероховатости поверхности
Для оценки параметра шероховатости применяют методы контроля. К ним относится:
- Количественная оценка;
- Суммарная количественная оценка;
- Качественная оценка с образцами.
Количественная оценка шероховатости
Шероховатость оценивают количественно и качественно. Количественная оценка помогает измерить и оценить неровности материала. Она включает в себя измерение профиля поверхности и анализ полученных данных. Количественный контроль поверхности осуществляется с помощью приборов — профилометра, профилографа, двойного микроскопа.
Параметры для количественной оценки шероховатости
Все поверхности на конструкторских документах должны быть обозначены и соответствовать всем требованием ГОСТ и ЕСКД. Стандарты устанавливают параметры и их значения для указания поверхности. Для описания шероховатости используют три параметра:
- Ra — обозначение профиля с указанием возможного отклонения;
- Rz — высота неровностей по десяти основным точкам;
- Rmax — максимально допустимое значение по высоте.
Качественная оценка шероховатости
Качественный метод основывается на визуальной оценке поверхности. Этим способом можно определить большую часть материалов, кроме тонко обработанных. Примеры для качественной оценки изготавливаются из тех же материалов, что и деталь.
Обозначение шероховатости поверхности по ГОСТ
Обозначение шероховатости на чертежах регулируется ГОСТом 2.309-73.
Шероховатость отмечают на чертеже с учетом всех поверхностей изделия, независимо от того, каким способом они образованы. Исключение составляют те поверхности, для которых шероховатость не обусловлена никакими требованиями конструкции
Если указание параметров знака и способа его обработки не требуется, то изображение выполняют без начертания полки.

рис. 1
Для обозначения шероховатости поверхности применяют один из представленных знаков на рисунке 2.

рис. 2
Толщина линий знаков должна приблизительно равняться половине толщины основной линии, используемой на чертеже.
Виды обозначений шероховатости:
- Если способ обработки не устанавливается конструктором, используют знак, как на рисунке 2а;
- Если шероховатость поверхности образуется только удалением слоя материала, на чертеже применяют знак, как на рисунке 2б;
- Если шероховатость поверхности образуется без удаления материала, то на чертеже используют знак, как показано на рисунке 2в, с указанием значения параметра шероховатости.
Если деталь, выполненная из материала особого профиля и размера и не подлежащая дополнительно обработке, на чертеже отмечается знаком, как на рисунке 2в, без указания параметра шероховатости.
Структура обозначения шероховатости
Чтобы обозначить шероховатость придерживайтесь структуры указанной на рисунке 2.1.

рисунок 2.1
Назначение параметров шероховатости
Значение чистоты поверхности, по-другому, шероховатости определяет ее назначение. Деталь может соприкасаться с другими. В этом случае поверхности называют сопрягаемыми и исполнительными, другие — нерабочие. В зависимости от конструктивного назначения поверхности обозначаются как на рисунке 2.3.

рис. 2.3
Значение параметра шероховатости
Значение параметра шероховатости указывают после соответствующего символа:
- При указании наибольшего значения параметра шероховатости в обозначении приводят данные без предельных отклонений, как на рисунке 3.

рис. 3
При указании наименьшего значения, следует указывать «min» перед обозначением шероховатости, как на рисунке 4.

рис. 4
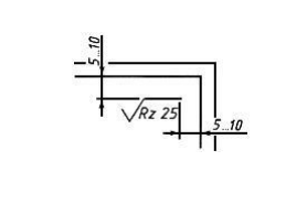
- Чтобы указать диапазон обозначений параметра шероховатости на чертежах, в обозначении приводят пределы значений, размещая их в две строки друг под другом, как показано на рисунке 5.

рис. 5
Верхняя строка отображает значение параметра более грубой шероховатости.
- Чтобы отметить номинальное значение шероховатости приводят это значение с предельными отклонениями по ГОСТ 2.309-73, как на рисунке 6.

рис. 6
Порядок указания параметров
Если на чертеже для детали указывается более двух обозначений параметров, то указывать их необходимо в определенном порядке:
- Параметр высоты неровностей профиля;
- Параметр шага неровностей профиля;
- Относительная опорная длина профиля.

рис. 7
При нормировании требований к шероховатости поверхности параметрами Ra, Rz, Rmax базовую длину в обозначении не приводят, если она соответствует указанной в приложении ГОСТ для выбранного значения параметра шероховатости.
Условные обозначения шероховатости
Условные обозначения направления неровностей должны соответствовать обозначениям в таблице. УО приводят на чертеже только если это необходимо.
Высота знака направления неровностей должна быть приблизительно равна h, а толщина линий знака приблизительно равна половине толщины сплошной основной линии.

Вид обработки подписывают только в том случае, если он единственный применимый для получения необходимого качества поверхности.

рис. 8
На чертеже допускается упрощенное обозначение шероховатости с разъяснением его в технических требованиях чертежа, как изображено на рисунке 9.

рис. 9
Если направление измерения шероховатости должно отличаться от предусмотренного ГОСТ, его указывают на чертеже, как показано на рисунке 10.

рис. 10
Символы обозначения шероховатости
Чтобы упростить чтение чертежей используют условные обозначения. Они применяются и для шероховатости поверхностей. Все символы размещаются на поверхности. Они приведены на рисунке 2.2.

рис. 2. 2
Правила нанесения обозначений шероховатости
Обозначения шероховатости поверхностей на чертеже изделия размещают на линиях контура, выносных линиях или на полках линий-выносок.
Если места не хватает, допускается размещение обозначений на размерных линиях или на их продолжениях, а также на рамке допуска формы или с помощью разрыва выносной линии.

рис. 11
Правила размещения значений
Если знак имеет полку, то обозначение шероховатости располагают относительно основной надписи чертежа так, как показано на рисунке 12 и 13.

рис. 12
Обозначения шероховатости поверхности, в которых знак не имеет полки, располагают относительно основной надписи чертежа так, как показано на рисунке 13.

рис. 13
Если вы изображаете изделие с разрывом (как на рисунке 14), то обозначение наносят только на одной части изображения. Чем ближе к месту указания размеров, тем лучше.

рис. 14
При указании одинаковой шероховатости для всех поверхностей изделия обозначение шероховатости помещают в правом верхнем углу чертежа и на изображении не наносят (рисунок 15).

рис. 15
Как обозначается шероховатость поверхности на чертеже
Чтобы получить полное и подробное представление о шероховатости поверхности, на чертеже используют условный знак «h». Это линии, равные половине толщины основной линии. Высота «h» равна высоте цифр размерных чисел. Если способ обработки поверхности не установлен применяют условный знак на рис. 16.

рис. 16
Угол между двумя направляющими условного знака составляет 60°. Если для обработки поверхности используется удаление слоя материала, то добавляется черта, образующая треугольник на рис. 17.

рис. 17
Если шероховатость образована без удаления слоя материала, то добавляется круг рис. 18.

рисунок 18
Не знаете как выполнить работу? Обратитесь за помощью к нашим экспертам. Сделайте заказ чертежа на сайте Студворк!


Комментарии