
Для того, чтобы определить точное расположение какой-либо конструкции и ее отдельных элементов используют координационные оси. Они выполняют несколько функций:
- Выявление расположения элементов;
- Разделение плана.
Что такое оси на чертеже и как они обозначаются? — все ответы на эти и другие вопросы в нашей статье!
Что такое оси на чертеже?
Это линии, определяющие положение основных элементов на чертеже.
В общем значении ось представляет собой воображаемую центральную неподвижную прямую того или иного объекта. На чертежах, как правило, строительных и архитектурных, объект разделяется линиями. Эти линии называются продольными и поперечными координационными осями.
Продольные и поперечные координационные оси

Продольные и поперечные координатные оси показаны на рисунке 1. Их используют для деления предмета на чертеже и размещения конструкций.
Одним из самых важных правил при работе с чертежами является то, что пропускать цифровые и буквенные обозначения осей нельзя.
Оси на строительных чертежах

При выполнении разных чертежей следует придерживаться прямоугольной системы координат. Такая система помогает ориентироваться в двухмерной плоскости. Благодаря координатным осям вы сможете придерживаться определенных масштабов (рисунок 2).
Ось симметрии
Прямая на чертеже, которая разделяет геометрическую фигуру или совокупность геометрических тел на две равные части, называется осью симметрии (рисунок 3).
На сборочном чертеже или чертеже детали ось симметрии принято обозначать штрихпунктирной линией, толщина которой равна половине от основной. Чем ось симметрии отличается от координатных осей? В отличие от координационной, ось симметрии не ограничивается кругом с буквенным или цифровым обозначением.
Пример оси симметрии на чертеже

Ось вращения
Прямая на чертеже, вокруг которой вращается твердое тело, называется осью вращения (рисунок 4).
Ось вращения на любых чертежах неподвижна, а точки вокруг нее образуют окружность. Все детали необходимо изобразить именно так, как они будут располагаться при изготовлении.
Пример оси вращения на чертеже

Оси на чертеже по ГОСТу
Чертеж любого вида должен соответствовать всем требованиям ГОСТ и ЕСКД. Стандарт регулирующий выполнение и оформление строительных чертежей — ГОСТ Р 21.101-2020 (рисунок 5).

Каждый объект имеет координатные оси, все расстояния между осями называются пролетом или шагом. Это зависит от вида координатных осей. Расстояния между продольными осями называются шириной пролета, между поперечными — шагом.
По размерам между осями можно определить, какие элементы используются для перекрытия.
Обозначение осей на чертежах
Как мы уже сказали, оси на чертеже обозначают штрихпунктирной линией, проходящей через весь объект. В самом конце этой линии необходимо вычертить круг. Его диаметр должен соответствовать масштабу чертежа (рисунок 6).

Внутри круга необходимо указать наименование осей арабскими цифрами и прописными буквами русского алфавита.
Символы для обозначения осей на чертежах
Для обозначения осей на чертежах по ГОСТу следует использовать все буквы русского алфавита (рисунок 7).

Размер символов для обозначения осей на чертеже
Размер шрифта для обозначения осей больше шрифта размерных чисел в несколько раз. Для нанесения размеров нужно использовать размерные и выносные линии.
Последовательность нанесения обозначений осей
Последовательность обозначений координационных осей по ГОСТу показана на рисунке 8.

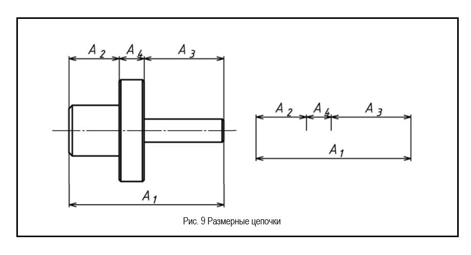
Размерные цепочки в координационных осях
Совокупность взаимосвязанных размеров, образующих замкнутый контур и определяющих взаимное положение поверхностей и осей, называются размерными цепочками (рисунок 9).

Через оси проходят две размерные цепочки — верхняя и нижняя (рисунок 10).

На верхней размерной цепи указывают точные размеры между соседними осями, а на нижней — размеры между крайними осями. Это позволяет быстро определить габариты объекта.
Как оси проходят через конструкции на чертеже

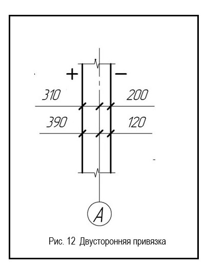
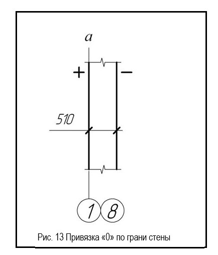
Расположение всего объекта или его отдельных элементов, а также их соотношение зависит от привязки к координатным осям. Она представляет собой размер, который задает положение элемента относительно оси здания.
Все оси на планах и разрезах должны соответствовать друг другу. Они обозначаются цифрами и буквами. На разрезах видны только оси в одной плоскости. Они зависят от направления взгляда (рисунок 11). Привязки бывают следующих видов:
- Двусторонняя привязка — ось располагается на определенном расстоянии от граней стены и используется для опирания или перекрытия (рисунок 12);

- Привязка «0» по грани стены — оси совпадают с гранями стены и используется в случае, когда плиты перекрытия примыкают к стене (рисунок 13);

- Центральная привязка — геометрическая ось совпадает с разбивочной и используется, когда плиты перекрытия опираются на стены с двух сторон (рисунок 14).

Основные требования к осям на строительных чертежах по ГОСТу
К основным требованиям к осям на чертежах по ГОСТу относятся требования на рисунке 16.

Основные правила нанесения координационных осей на чертежах

Выносить и располагать оси необходимо в один ряд. Нумерация начинается от «1» с левого угла и увеличивается к правому (рисунок 15). Все буквенные обозначения необходимо расположить слева от изображения.
Не хотите тратить время на чертежи? Вы можете заказать готовый чертеж у экспертов Студворк!


Комментарии