Когда передается разговор или музыка, звуковые колебания с помощью микрофона преобразуются в электрические колебания, которые попадают в усилитель высокой частоты.
Может показаться, что с помощью этих электрических колебаний можно получить электромагнитные волны, а затем на приемной станции снова получить звуковые колебания.
Однако колебания, образованные голосом человека, – это колебания звуковых частот (в пределах 75-3000 Гц), соответствующие длинам электромагнитных волн 4000-100 км.
Поскольку антенны могут излучать электромагнитные волны только тогда, когда их размеры порядка длины волны, передавать звуковые колебания таким способом практически невозможно.
Исходя из этого в радиотехнике применяют электромагнитные волны высокой частоты (мощные токи смещения) в пределах 105-108 Гц (длина волн 3 км-3 м). Для строго направленного излучения (например, в радиолокации) используют колебания с еще большей частотой – 1010 Гц и выше.
Поэтому радиопередатчик непременно должен иметь генератор высокой частоты (ламповый или кристаллический).
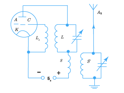
Генератор высокочастотных электромагнитных волн
На рис. 1 изображена схема простейшего генератора высокочастотных электромагнитных волн. Катушки S и S´ позволяют передавать колебания в контур излучающей антенны A.

Радиоволны в приемнике возбуждают токи проводимости – высокочастотные электрические колебания. Однако вследствие инерции ни одна механическая система не может их зарегистрировать.
Отдельно взятые низко- и высокочастотные колебания не могут удовлетворить условия радиовещания.
Амплитудная модуляция
Радиовещание основывается на использовании обоих видов колебаний, а именно: на передающей станции низкочастотные звуковые колебания накладываются на высокочастотные. Иными словами, высокочастотные колебания модулируются звуковыми частотами. Модулировать можно следующие параметры: амплитуду, частоту или фазу излучаемых волн.
Это изменение амплитуды напряженностей электрического и магнитного полей радиоволны высокой частоты по закону звуковой частоты.
Изменение амплитуды высокочастотных колебаний соответствует изменению сопротивления микрофона, то есть тем звуковым колебаниям, попадают в микрофон.
Во время модуляции звуковые колебания оставляют свой след на электромагнитных колебаниях передатчика и переносятся от него к приемнику электромагнитными волнами высокой частоты (несущей частоты).
Амплитудно-модулированные колебания можно возбуждать с помощью триода, если рабочую точку лампы выбрать на криволинейном участке ее анодно-сеточной характеристики.
Применяются также анодная и сетевая модуляции.
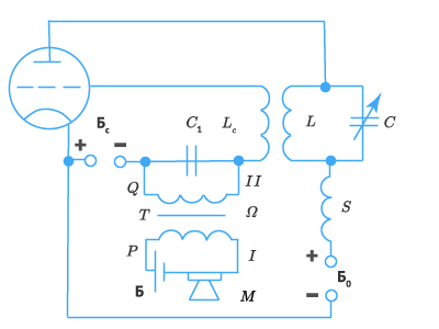
Сетевая модуляция
Рассмотрим схему сетевой модуляции:

В круг сетки генераторной лампы, кроме катушки обратной связи , включена вторичная обмотка (шунтируемая конденсатором ) модулирующего трансформатора . С помощью батареи на сетку лампы подается отрицательный потенциал, который смещает рабочую точку на характеристике слева в нижней криволинейный участок. Последовательно с первичной обмоткой трансформатора включены батарея и микрофон . К сетке лампы одновременно подводятся колебания несущей частоты (через индуктивную связь катушек и ) и электрические колебания звуковой частоты (через трансформатор).
Конденсатор оказывает малое емкостное сопротивление, а вторичная обмотка трансформатора – большое индуктивное сопротивление переменным токам высокой частоты. Поэтому частотно-переменный ток не ответвляются в микрофон, и генератор практически работает так же, как и тогда, когда микрофона нет.
Для микрофонных токов низкой частоты конденсатор оказывает большое сопротивление. Поэтому напряжение трансформатора полностью прикладывается между сеткой и катодом лампы.
Если мембрана колеблется, то согласно звуковым колебаниям изменяется и сопротивление микрофона, а следовательно, и потенциал сетки. Если данный потенциал положительный, то сила анодного тока возрастает, а конденсатор колебательного контура заряжается сильнее. Поэтому генератор излучает мощные колебания, и антенна посылает в эфир радиоволны с большими амплитудами.
Если потенциал сетки под влиянием слабых колебаний уменьшается, то антенна излучает волны с небольшими амплитудами. Итак, амплитуда несущей волны изменяется в такт со звуковыми колебаниями. В этом и заключается амплитудная модуляция.
Нужна работа по низкой цене? У нас вы можете заказать статью по физике недорого!

Комментарии