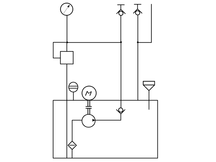
схема гидравлическая

Открыт
Заказ
6948794
Раздел
Программирование
Предмет
Информационные технологии
Тип работы
Антиплагиат
Не указан
Срок сдачи
27 Ноя в 23:00
Цена
300 ₽
Блокировка
10 дней
Размещен
27 Ноя в 11:32
Просмотров
33
Описание работы

Выполнить изображение схемы , используя библиотеки Компас, нанести на полки линий-выносок позиционные обозначения элементов схемы

Нужна такая же работа?
  • Разместите заказ
  • Выберите исполнителя
  • Получите результат
Гарантия на работу 1 год
Средний балл 4.54
Стоимость Назначаете сами
Эксперт Выбираете сами
Уникальность работы от 70%
Предыдущий заказ
Следующий заказ
Нужна аналогичная работа?
Оформи быстрый заказ и узнай стоимость
Гарантированные бесплатные доработки в течение 1 года
Быстрое выполнение от 2 часов
Проверка работы на плагиат
Темы журнала
Показать ещё
Прямой эфир