В самостоятельной работе требуется построить график выходного напряжения для заданной схемы ограничителя и численных исходных данных при синусоидальной форме входного напряжения, частоту которого следует принять равной 50 Гц. Вариант задания состоит из двух частей: номер схемы ограничителя – номер варианта исходных данных (например, 4– 5, 8–6). Последовательность выполнения работы для заданного варианта следующая.
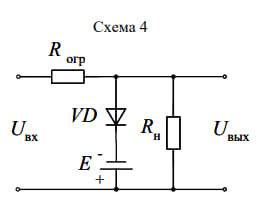
Для диодных амплитудных ограничителей: – построить график входного напряжения и нанести на нем уровни, соответствующие заданным напряжениям смещения; – определить интервалы закрытого и открытого состояния диодов; – для каждого интервала построить на отдельном графике диаграмму изменения выходного напряжения, совместив ее по времени с диаграммой входного напряжения.
Для амплитудных ограничителей на кремниевых стабилитронах: – построить график входного напряжения и нанести на нем уровни, соответствующие напряжениям стабилизации и прямым напряжениям, в случае последовательного соединения стабилитронов определить уровни, соответствующие суммам напряжений в соответствии с заданной схемой; – определить интервалы закрытого и открытого состояний цепей со стабилитронами; – для каждого интервала построить кривые изменения выходного напряжения, совместив по времени графики входного и выходного напряжений.


| Гарантия на работу | 1 год |
| Средний балл | 4.54 |
| Стоимость | Назначаете сами |
| Эксперт | Выбираете сами |
| Уникальность работы | от 70% |