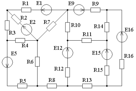
Преобразовать схему

Отменен
Заказ
6346753
Раздел
Естественные дисциплины
Предмет
Тип работы
Антиплагиат
Не указан
Срок сдачи
16 Ноя 2024 в 23:55
Цена
Договорная цена
Блокировка
10 дней
Размещен
9 Ноя 2024 в 16:32
Просмотров
51
Описание работы

На схеме заменить резистор R1 на перемычку, исключить резисторы R7, R11, R16

На новой схеме отобразить узлы и направление токов

Нужна такая же работа?
  • Разместите заказ
  • Выберите исполнителя
  • Получите результат
Гарантия на работу 1 год
Средний балл 4.54
Стоимость Назначаете сами
Эксперт Выбираете сами
Уникальность работы от 70%
Нужна аналогичная работа?
Оформи быстрый заказ и узнай стоимость
Гарантированные бесплатные доработки в течение 1 года
Быстрое выполнение от 2 часов
Проверка работы на плагиат
Темы журнала
Показать ещё
Прямой эфир