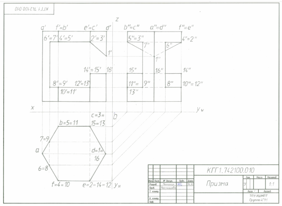
Построить три изображения многогранника с вырезом. Задание выполняется от руки с использованием чертёжных инструментов на листе формата А3 . Выполненную в карандаше работу, сканируют (фотографируют) и данный файл подкрепляют к отчету. Изображение должно быть хорошего качества.
В правом нижнем углу листа выполняется основная надпись по форме 1. В левом верхнем углу выполняется дополнительная графа.
Графическое изображение в данной работе на формате А3 должно занимать 80% формата. Текст записывается в соответствии с рекомендациями по заполнению основной надписи.
Пример выполнения задания приведен на рисунке. Варианты заданий в элементе курса "Комплект заданий для индивидуальной работы "Гранные поверхности с вырезом"".
Номер варианта индивидуального задания определяется по последним двум цифрам номера зачетной книжки. Если число больше 25, то следует взять сумму этих цифр. Например, если номер зачетной книжки З-8Л10/11, то номер варианта задания равен 11. Если номер зачетной книжки З-8Л10/31, то номер варианта задания равен 4 (номер после/ =31, 3+1=4).


| Гарантия на работу | 1 год |
| Средний балл | 4.54 |
| Стоимость | Назначаете сами |
| Эксперт | Выбираете сами |
| Уникальность работы | от 70% |