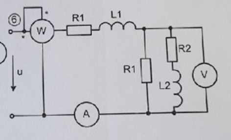
2. Разветвленная цепь синусоидального тока
Напряжение на зажимах цепи изменяется по закону u = Um sin w t

Амплитудное значение напряжения U значения активных сопротивлений R1 и R2, индуктивностей катушек L1 и L2, емкостей конденсаторов С1 и С2 приведены в табл.2.2.
Частота питающего напряжения f = 50 Гц.
Рабочее задание
1. Определить показания приборов, указанных на схеме рис.2.4.
2. Построить векторную диаграмму токов и топографическую диаграмму напряжений.
3. Определить закон изменения тока источника ЭДС.
4. Определить закон изменения напряжения между точками, к которым подключен вольтметр.
5. Определить активную, реактивную и полную мощности источника; активную, реактивную и полную мощности приемников. Составить и оценить баланс мощностей. Рассчитать коэффициент мощности.
6. Определить характер (индуктивность, емкость) и параметры элемента, который должен быть включен в электрическую цепь последовательно с источником ЭДС для того, чтобы в ней имел место резонанс напряжений. Указания:
Таблица 2.2
Um = 240 В
R1 = 8 Ом
R2 = 11 Ом
L1 = 0,04 Гн
L2 = 0,04 Гн
C1 = 200 мкФ
C2 = 400 мкФ

| Гарантия на работу | 1 год |
| Средний балл | 4.54 |
| Стоимость | Назначаете сами |
| Эксперт | Выбираете сами |
| Уникальность работы | от 70% |