Задание 1:
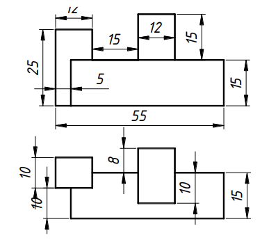
Формат А4(или А3) Перечертить проекции схематизированного здания, увеличив размеры в 2(или3) раза. Расстояние между проекциями должно быть больше высоты здания. Размеры не проставлять. Построить падающие и собственные(если есть) тени на земле, фасаде и крыше.


Задание 2: То же самое, только в 3д (аксонометрия)
На подобие этого: 
Задание нужно в PDF + файл чертёжной программы
| Гарантия на работу | 1 год |
| Средний балл | 4.54 |
| Стоимость | Назначаете сами |
| Эксперт | Выбираете сами |
| Уникальность работы | от 70% |